进入框架页面 

15. 定时计数器T0作定时应用技术(一)

1. 实验任务

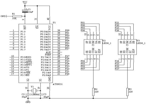
用AT89S51单片机的定时/计数器T0产生一秒的定时时间,作为秒计数时间,当一秒产生时,秒计数加1,秒计数到60时,自动从0开始。硬件电路如下图所示

2. 电路原理图

图4.15.1

3. 系统板上硬件连线

(1. 把“单片机系统”区域中的P0.0/AD0-P0.7/AD7端口用8芯排线连接到“四路静态数码显示模块”区域中的任一个a-h端口上;要求:P0.0/AD0对应着a,P0.1/AD1对应着b,……,P0.7/AD7对应着h。

(2. 把“单片机系统”区域中的P2.0/A8-P2.7/A15端口用8芯排线连接到“四路静态数码显示模块”区域中的任一个a-h端口上;要求:P2.0/A8对应着a,P2.1/A9对应着b,……,P2.7/A15对应着h。

4. 程序设计内容

AT89S51单片机的内部16位定时/计数器是一个可编程定时/计数器,它既可以工作在13位定时方式,也可以工作在16位定时方式和8位定时方式。只要通过设置特殊功能寄存器TMOD,即可完成。定时/计数器何时工作也是通过软件来设定TCON特殊功能寄存器来完成的。

现在我们选择16位定时工作方式,对于T0来说,最大定时也只有65536us,即65.536ms,无法达到我们所需要的1秒的定时,因此,我们必须通过软件来处理这个问题,假设我们取T0的最大定时为50ms,即要定时1秒需要经过20次的50ms的定时。对于这20次我们就可以采用软件的方法来统计了。

因此,我们设定TMOD=00000001B,即TMOD=01H

下面我们要给T0定时/计数器的TH0,TL0装入预置初值,通过下面的公式可以计算出

TH0=(216-50000) / 256

TL0=(216-50000) MOD 256

当T0在工作的时候,我们如何得知50ms的定时时间已到,这回我们通过检测TCON特殊功能寄存器中的TF0标志位,如果TF0=1表示定时时间已到。

5. 程序框图

 

 

 

 

 

 

 

 

 

 

 

 

图4.15.2

6. 汇编源程序(查询法)
SECOND EQU 30H
TCOUNT EQU 31H
ORG 00H
START: MOV SECOND,#00H
MOV TCOUNT,#00H
MOV TMOD,#01H
MOV TH0,#(65536-50000) / 256
MOV TL0,#(65536-50000) MOD 256
SETB TR0
DISP: MOV A,SECOND
MOV B,#10
DIV AB
MOV DPTR,#TABLE
MOVC A,@A+DPTR
MOV P0,A
MOV A,B
MOVC A,@A+DPTR
MOV P2,A
WAIT: JNB TF0,WAIT
CLR TF0
MOV TH0,#(65536-50000) / 256
MOV TL0,#(65536-50000) MOD 256
INC TCOUNT
MOV A,TCOUNT
CJNE A,#20,NEXT
MOV TCOUNT,#00H
INC SECOND
MOV A,SECOND
CJNE A,#60,NEX
MOV SECOND,#00H
NEX: LJMP DISP
NEXT: LJMP WAIT
TABLE: DB 3FH,06H,5BH,4FH,66H,6DH,7DH,07H,7FH,6FH
END
7. C语言源程序(查询法)
#include <AT89X51.H>

unsigned char code dispcode[]={0x3f,0x06,0x5b,0x4f,
0x66,0x6d,0x7d,0x07,
0x7f,0x6f,0x77,0x7c,
0x39,0x5e,0x79,0x71,0x00};
unsigned char second;
unsigned char tcount;

void main(void)
{
TMOD=0x01;
TH0=(65536-50000)/256;
TL0=(65536-50000)%256;
TR0=1;
tcount=0;
second=0;
P0=dispcode[second/10];
P2=dispcode[second%10];
while(1)
{
if(TF0==1)
{
tcount++;
if(tcount==20)
{
tcount=0;
second++;
if(second==60)
{
second=0;
}
P0=dispcode[second/10];
P2=dispcode[second%10];
}
TF0=0;
TH0=(65536-50000)/256;
TL0=(65536-50000)%256;
}
}
}
1. 汇编源程序(中断法)
SECOND EQU 30H
TCOUNT EQU 31H
ORG 00H
LJMP START
ORG 0BH
LJMP INT0X
START: MOV SECOND,#00H
MOV A,SECOND
MOV B,#10
DIV AB
MOV DPTR,#TABLE
MOVC A,@A+DPTR
MOV P0,A
MOV A,B
MOVC A,@A+DPTR
MOV P2,A
MOV TCOUNT,#00H
MOV TMOD,#01H
MOV TH0,#(65536-50000) / 256
MOV TL0,#(65536-50000) MOD 256
SETB TR0
SETB ET0
SETB EA
SJMP $
INT0X:
MOV TH0,#(65536-50000) / 256
MOV TL0,#(65536-50000) MOD 256
INC TCOUNT
MOV A,TCOUNT
CJNE A,#20,NEXT
MOV TCOUNT,#00H
INC SECOND
MOV A,SECOND
CJNE A,#60,NEX
MOV SECOND,#00H
NEX: MOV A,SECOND
MOV B,#10
DIV AB
MOV DPTR,#TABLE
MOVC A,@A+DPTR
MOV P0,A
MOV A,B
MOVC A,@A+DPTR
MOV P2,A
NEXT: RETI

TABLE: DB 3FH,06H,5BH,4FH,66H,6DH,7DH,07H,7FH,6FH
END
2. C语言源程序(中断法)
#include <AT89X51.H>

unsigned char code dispcode[]={0x3f,0x06,0x5b,0x4f,
0x66,0x6d,0x7d,0x07,
0x7f,0x6f,0x77,0x7c,
0x39,0x5e,0x79,0x71,0x00};
unsigned char second;
unsigned char tcount;

void main(void)
{
TMOD=0x01;
TH0=(65536-50000)/256;
TL0=(65536-50000)%256;
TR0=1;
ET0=1;
EA=1;
tcount=0;
second=0;
P0=dispcode[second/10];
P2=dispcode[second%10];
while(1);
}

void t0(void) interrupt 1 using 0
{
tcount++;
if(tcount==20)
{
tcount=0;
second++;
if(second==60)
{
second=0;
}
P0=dispcode[second/10];
P2=dispcode[second%10];
}
TH0=(65536-50000)/256;
TL0=(65536-50000)%256;
}


以上资料来自于互联网!编辑整理:五一电子加油站;网址:http://51dz.com
欢迎光临五一电子商城!免费学习电子技术,面向全国邮购电子元件、实验套件!