电平指示,就是给一个信号电压高低的指示,一般可以用电压表测量电压来完成。电平指示有什么呢?可以反应出某信号是否有无,信号强度是大还是小,这在某些高级系统中,可以监测多种信号的状态。
有意思的是,在我们现实生活中,电平指示常常用LED点亮的数量来做功放输出或者环境声音大小的指示,即声音越大,点亮的LED越多,声音越小,点亮的LED越少。不过,在欣赏音乐时,光线随着音乐而有节律的变化,的确给人美的享受!
今天,我们要向大家介绍的是一款专用的电平指示驱动IC,通过对电路原理图的分析,这个电平指示器实际上也就是一个AD转换器,输入高低不同的电压,就可以输出5个LED不同的点亮状态,不同的是,LED只能顺序点亮和熄灭,输出也只有6个状态,即“全熄--亮1--再亮2--再亮3--再亮4--再亮5”。
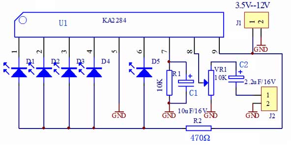
KA2284五段电平指示,KA2284B是五点发光二极管电平指示电路,其①比较器A、②比较器B、③比较器 C、④比较器D、⑤地、⑥比较器E、⑦放大输出、⑧输入、⑨电源 VCC。
1,5 LED电平显示
2, 发光二极管的颜色可以配多种,使功放输出状态一览无遗。
3,可调节可调阻值,调节起控电平,不管功放输出 多大都可调节。
4,仅电源与音频信号2组线,接线简单。
5, 可外接电源状态显示指示灯
6, 宽电源电压,3.5-16V都可以工作
引脚功能图:

芯片应用图:

应用的原理图重新画了一下:

/p/11/x/110814162135.jpg
元件清单:

本电路不是很复杂大家可以根据的需要而分配发光二极管的颜色,建议第一个、第二个装绿色,第三个装蓝色,第四个、第五个装红色,本站没有做印刷电路板,配的是万能板,所以大家可以根据自己的需要,发挥想象去安装发光二极管的位置,装开一点或者靠紧一点都行。配了7个1K的电阻,这7个电阻可以做发光二极管的限流电阻,可装可不装,大家可以试试不同的效果。多配一个发光二极管是可外接电源状态显示指示灯;如果需要双声道一个声道装一套,建议购买2套。
查看和发表评论 管理员一般会在8-48小时内回复,会删除无意义的留言以及重复留言,请保证留言标题清晰,内容明确! 1、评论不代表本站观点。 另外,即使是本站原创作品,本站也不保证内容绝对正确。 2、如果您拥有本文版权,并且不想在此处发表,请书面通知本站立即删除并且向您公开道歉! |