| 注意:访问本站需要Cookie和JavaScript支持!请设置您的浏览器! • 打开购物车 • 查看留言 • 付款方式 • 联系我们 |
![]() |
| 首页 | 电子入门 | 学单片机 | 免费资源 | 下载中心 | 商品列表 | 象棋在线 | 在线绘图 | 加盟五一 | 加入收藏 | 设为首页 |
| 选择分类:当前分类——学单片机 相关联或者相类似的文章: 19. “叮咚”门铃(618) 汉字的动态编码与显示方案(616) 初识PIC单片机 (610) 功能齐全的单片机音乐程序(608) 22. 电子琴(606) 基于 PCF8563 时钟芯片的万年历制作(605) 5. 广告灯(利用取表方式)(600) 用单片机制作测速仪 (598) 四个DS1820温度读取C源程序 (598) ★无线电遥控七路开关解码程序(595) 15. 定时计数器T0作定时应用技术(一)(591) 13. 动态数码显示技术(591) 步进电机、步进电机驱动器常见问题解答 (587) ★六位数显电子钟加24路输出(587) MCS-51单片机实用子程序库(96年版)(586) 8*8LED点阵显示实验(585) 用VB进行串口实时数据采集(585) 32. 电子密码锁设计 (583) 设计巧妙的数显抢答器 (582) [转载]绝对经典奉献!5.1音响遥控解码程序!(581) 首页 前页 后页 尾页 本站推荐: | 31. 6位数显频率计数器 1. 实验任务
利用AT89S51单片机的T0、T1的定时计数器功能,来完成对输入的信号进行频率计数,计数的频率结果通过8位动态数码管显示出来。要求能够对0-250KHZ的信号频率进行准确计数,计数误差不超过±1HZ。
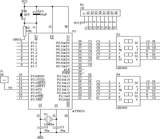
2. 电路原理图
![]() 图4.31.1
3. 系统板上硬件连线
(1). 把“单片机系统”区域中的P0.0-P0.7与“动态数码显示”区域中的ABCDEFGH端口用8芯排线连接。
(2). 把“单片机系统”区域中的P2.0-P2.7与“动态数码显示”区域中的S1S2S3S4S5S6S7S8端口用8芯排线连接。
(3). 把“单片机系统”区域中的P3.4(T0)端子用导线连接到“频率产生器”区域中的WAVE端子上。
4. 程序设计内容
(1). 定时/计数器T0和T1的工作方式设置,由图可知,T0是工作在计数状态下,对输入的频率信号进行计数,但对工作在计数状态下的T0,最大计数值为fOSC/24,由于fOSC=12MHz,因此:T0的最大计数频率为250KHz。对于频率的概念就是在一秒只数脉冲的个数,即为频率值。所以T1工作在定时状态下,每定时1秒中到,就停止T0的计数,而从T0的计数单元中读取计数的数值,然后进行数据处理。送到数码管显示出来。
(2). T1工作在定时状态下,最大定时时间为65ms,达不到1秒的定时,所以采用定时50ms,共定时20次,即可完成1秒的定时功能。
5. C语言源程序
#include <AT89X52.H>
unsigned char code dispbit[]={0xfe,0xfd,0xfb,0xf7,0xef,0xdf,0xbf,0x7f};
unsigned char code dispcode[]={0x3f,0x06,0x5b,0x4f,0x66,
0x6d,0x7d,0x07,0x7f,0x6f,0x00,0x40};
unsigned char dispbuf[8]={0,0,0,0,0,0,10,10};
unsigned char temp[8];
unsigned char dispcount;
unsigned char T0count;
unsigned char timecount;
bit flag;
unsigned long x;
void main(void)
{
unsigned char i;
TMOD=0x15;
TH0=0;
TL0=0;
TH1=(65536-4000)/256;
TL1=(65536-4000)%256;
TR1=1;
TR0=1;
ET0=1;
ET1=1;
EA=1;
while(1)
{
if(flag==1)
{
flag=0;
x=T0count*65536+TH0*256+TL0;
for(i=0;i<8;i++)
{
temp[i]=0;
}
i=0;
while(x/10)
{
temp[i]=x%10;
x=x/10;
i++;
}
temp[i]=x;
for(i=0;i<6;i++)
{
dispbuf[i]=temp[i];
}
timecount=0;
T0count=0;
TH0=0;
TL0=0;
TR0=1;
}
}
}
void t0(void) interrupt 1 using 0
{
T0count++;
}
void t1(void) interrupt 3 using 0
{
TH1=(65536-4000)/256;
TL1=(65536-4000)%256;
timecount++;
if(timecount==250)
{
TR0=0;
timecount=0;
flag=1;
}
P0=dispcode[dispbuf[dispcount]];
P2=dispbit[dispcount];
dispcount++;
if(dispcount==8)
{
dispcount=0;
}
} 1、 本站不保证以上观点正确,就算是本站原创作品,本站也不保证内容正确。 2、如果您拥有本文版权,并且不想在本站转载,请书面通知本站立即删除并且向您公开道歉! |
|
本站协议 |
版权信息 |
关于我们 |
本站地图 |
营业执照 |
发票说明 |
付款方式 |
联系方式
深圳市宝安区西乡五壹电子商行——粤ICP备16073394号-1;地址:深圳西乡河西四坊183号;邮编:518102 E-mail:51dz$163.com($改为@);Tel:(0755)27947428 工作时间:9:30-12:00和13:30-17:30和18:30-20:30,无人接听时可以再打手机13537585389 |