注意:访问本站需要Cookie和JavaScript支持!请设置您的浏览器! 打开购物车 查看留言付款方式联系我们
初中电子 单片机教材一 单片机教材二
搜索上次看见的商品或文章:
商品名、介绍 文章名、内容
首页 电子入门 学单片机 免费资源 下载中心 商品列表 象棋在线 在线绘图 加盟五一 加入收藏 设为首页
本站推荐:
18. “嘀、嘀、……”报警声
文章长度[] 加入时间[2008/5/30] 更新时间[2025/10/15 16:21:04] 级别[0] [评论] [收藏]
 
1. 实验任务
用AT89S51单片机产生“嘀、嘀、…”报警声从P1.0端口输出,产生频率为1KHz,根据上面图可知:1KHZ方波从P1.0输出0.2秒,接着0.2秒从P1.0输出电平信号,如此循环下去,就形成我们所需的报警声了。
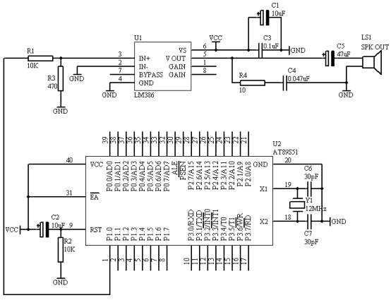
2. 电路原理图
图4.18.1
3. 系统板硬件连线
(1.       把“单片机系统”区域中的P1.0端口用导线连接到“音频放大模块”区域中的SPK IN端口上,
(2.       在“音频放大模块”区域中的SPK OUT端口上接上一个8欧或者是16欧的喇叭;
4. 程序设计方法
(1.生活中我们常常到各种各样的报警声,例如“嘀、嘀、…”就是常见的一种声音报警声,但对于这种报警声,嘀0.2秒钟,然后断0.2秒钟,如此循环下去,假设嘀声的频率为1KHz,则报警声时序图如下图所示:
上述波形信号如何用单片机来产生呢?
(2.       由于要产生上面的信号,我们把上面的信号分成两部分,一部分为1KHZ方波,占用时间为0.2秒;另一部分为电平,也是占用0.2秒;因此,我们利用单片机的定时/计数器T0作为定时,可以定时0.2秒;同时,也要用单片机产生1KHZ的方波,对于1KHZ的方波信号周期为1ms,高电平占用0.5ms,低电平占用0.5ms,因此也采用定时器T0来完成0.5ms的定时;最后,可以选定定时/计数器T0的定时时间为0.5ms,而要定时0.2秒则是0.5ms的400倍,也就是说以0.5ms定时400次就达到0.2秒的定时时间了。
5. 程序框图
主程序框图

开 始
T02S=0,T05MS=0,FLAG=0
T0初始化
T0启动定时并开中断
等待中断
 


中断服务程序框图

T0中断入口
T02S加1
T02S=400吗?
FLAG取反
FLAG=0
FLAG=1
P1.0取反
中断返回
 

图4.18.2
6. 汇编源程序
T02SA                EQU 30H
T02SB                EQU 31H
FLAG                 BIT 00H
                            ORG 00H
                            LJMP START
                            ORG 0BH
                            LJMP INT_T0
START:               MOV T02SA,#00H
                            MOV T02SB,#00H
                            CLR FLAG
                            MOV TMOD,#01H
                            MOV TH0,#(65536-500) / 256
                            MOV TL0,#(65536-500) MOD 256
                            SETB TR0
                            SETB ET0
                            SETB EA
                            SJMP $
INT_T0:
                            MOV TH0,#(65536-500) / 256
                            MOV TL0,#(65536-500) MOD 256
                            INC T02SA
                            MOV A,T02SA
                            CJNE A,#100,NEXT
                            INC T02SB
                            MOV A,T02SB
                            CJNE A,#04H,NEXT
                            MOV T02SA,#00H
                            MOV T02SB,#00H
                            CPL FLAG
NEXT:                JB FLAG,DONE
                            CPL P1.0
DONE:               RETI
                            END
7. C语言源程序
#include <AT89X51.H>
unsigned int t02s;
unsigned char t05ms;
bit flag;
void main(void)
{
  TMOD=0x01;
  TH0=(65536-500)/256;
  TL0=(65536-500)%256;
  TR0=1;
  ET0=1;
  EA=1;
  while(1);
}
void t0(void) interrupt 1 using 0
{
  TH0=(65536-500)/256;
  TL0=(65536-500)%256;
  t02s++;
  if(t02s==400)
    {
      t02s=0;
      flag=~flag;
    }
  if(flag==0)
    {
      P1_0=~P1_0;
    }
}
1、 本站不保证以上观点正确,就算是本站原创作品,本站也不保证内容正确。
2、如果您拥有本文版权,并且不想在本站转载,请书面通知本站立即删除并且向您公开道歉! 以上可能是本站收集或者转载的文章,本站可能没有文章中的元件或产品,如果您需要类似的商品请 点这里查看商品列表!
本站协议 | 版权信息 |  关于我们 |  本站地图 |  营业执照 |  发票说明 |  付款方式 |  联系方式
深圳市宝安区西乡五壹电子商行——粤ICP备16073394号-1;地址:深圳西乡河西四坊183号;邮编:518102
E-mail:51dz$163.com($改为@);Tel:(0755)27947428
工作时间:9:30-12:00和13:30-17:30和18:30-20:30,无人接听时可以再打手机13537585389