注意:访问本站需要Cookie和JavaScript支持!请设置您的浏览器! 打开购物车 查看留言付款方式联系我们
初中电子 单片机教材一 单片机教材二
搜索上次看见的商品或文章:
商品名、介绍 文章名、内容
首页 电子入门 学单片机 免费资源 下载中心 商品列表 象棋在线 在线绘图 加盟五一 加入收藏 设为首页
本站推荐:
3. 多路开关状态指示
文章长度[] 加入时间[2008/5/30] 更新时间[2025/11/3 14:05:23] 级别[0] [评论] [收藏]

 
1. 实验任务
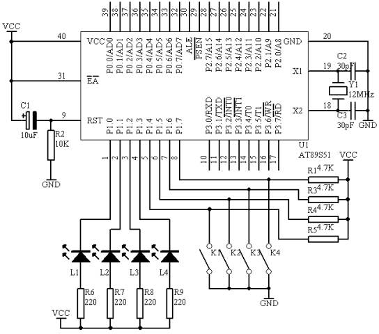
如图4.3.1所示,AT89S51单片机的P1.0-P1.3接四个发光二极管L1-L4,P1.4-P1.7接了四个开关K1-K4,编程将开关的状态反映到发光二极管上。(开关闭合,对应的灯亮,开关断开,对应的灯灭)。
2. 电路原理图
图4.3.1
3. 系统板上硬件连线
(1.       把“单片机系统”区域中的P1.0-P1.3用导线连接到“八路发光二极管指示模块”区域中的L1-L4端口上;
(2.       把“单片机系统”区域中的P1.4-P1.7用导线连接到“四路拨动开关”区域中的K1-K4端口上;
4.  程序设计内容
(1.       开关状态检测
对于开关状态检测,相对单片机来说,是输入关系,我们可轮流检测每个开关状态,根据每个开关的状态让相应的发光二极管指示,可以采用JB P1.X,REL或JNB P1.X,REL指令来完成;也可以一次性检测四路开关状态,然后让其指示,可以采用MOV A,P1指令一次把P1端口的状态全部读入,然后取高4位的状态来指示。
(2.       输出控制
根据开关的状态,由发光二极管L1-L4来指示,我们可以用SETB P1.X和CLR P1.X指令来完成,也可以采用MOV P1,#1111XXXXB方法一次指示。
5. 程序框图

开始
读P1口数据到ACC
ACC内容右移4次
ACC内容与F0H相或
ACC内容送入P1口

图4.3.2
6. 方法一(汇编源程序)
                                      ORG 00H
START:                        MOV A,P1
                                      ANL A,#0F0H
                                      RR A
                                      RR A
                                      RR A
                                      RR A
                                      XOR A,#0F0H
                                      MOV P1,A
                                      SJMP START
                                      END
7. 方法一(C语言源程序)
#include <AT89X51.H>
unsigned char temp;
void main(void)
{
  while(1)
    {
      temp=P1>>4;
      temp=temp | 0xf0;
      P1=temp;
    }
}
8. 方法二(汇编源程序)
                                      ORG 00H
START:                         JB P1.4,NEXT1
                                      CLR P1.0
                                      SJMP NEX1
NEXT1:                       SETB P1.0
NEX1:                          JB P1.5,NEXT2
                                      CLR P1.1
                                      SJMP NEX2
NEXT2:                       SETB P1.1
NEX2:                          JB P1.6,NEXT3
                                      CLR P1.2
                                      SJMP NEX3
NEXT3:                       SETB P1.2
NEX3:                          JB P1.7,NEXT4
                                      CLR P1.3
                                      SJMP NEX4
NEXT4:                       SETB P1.3
NEX4:                          SJMP START
                                      END
9. 方法二(C语言源程序)
#include <AT89X51.H>
void main(void)
{
  while(1)
    {
      if(P1_4==0)
        {
          P1_0=0;
        }
        else
          {
            P1_0=1;
          }
      if(P1_5==0)
        {
          P1_1=0;
        }
        else
          {
            P1_1=1;
          }
      if(P1_6==0)
        {
          P1_2=0;
        }
        else
          {
            P1_2=1;
          }
      if(P1_7==0)
        {
          P1_3=0;
        }
        else
          {
            P1_3=1;
          }
    }
}

1、 本站不保证以上观点正确,就算是本站原创作品,本站也不保证内容正确。
2、如果您拥有本文版权,并且不想在本站转载,请书面通知本站立即删除并且向您公开道歉! 以上可能是本站收集或者转载的文章,本站可能没有文章中的元件或产品,如果您需要类似的商品请 点这里查看商品列表!
本站协议 | 版权信息 |  关于我们 |  本站地图 |  营业执照 |  发票说明 |  付款方式 |  联系方式
深圳市宝安区西乡五壹电子商行——粤ICP备16073394号-1;地址:深圳西乡河西四坊183号;邮编:518102
E-mail:51dz$163.com($改为@);Tel:(0755)27947428
工作时间:9:30-12:00和13:30-17:30和18:30-20:30,无人接听时可以再打手机13537585389