| 注意:访问本站需要Cookie和JavaScript支持!请设置您的浏览器! • 打开购物车 • 查看留言 • 付款方式 • 联系我们 |
![]() |
| 首页 | 电子入门 | 学单片机 | 免费资源 | 下载中心 | 商品列表 | 象棋在线 | 在线绘图 | 加盟五一 | 加入收藏 | 设为首页 |
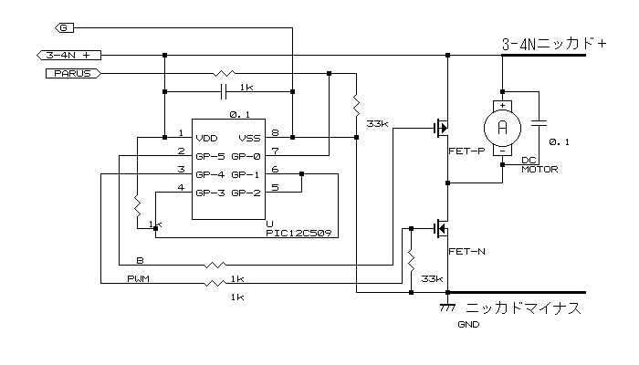
| 选择分类:当前分类——电子制作 相关联或者相类似的文章: 用与非门制作的电子蜡烛(168) 单片机上网计时器(150) 连续可调的正负对称的稳压电源(112) 简易8路数显抢答器制作过程(99) 简单实用的遥控开关(85) ATX电源控制电路的工作原理1(66) 一款人体感应开关(63) 一种抢答器制作结果(13) 简单的RS232C电平转换和串口取电(-7) 双声道功率放大器(-46) 调频对讲机电路 (-49) 自制高品质200W电子分频有源音箱(-108) 多用途DF无线数据收发模块 (-504) ++ 水位指示及水满报警器 ++(-809) 首页 前页 后页 尾页 本站推荐: | 四种使用PIC单片机的电子调速器
1、 本站不保证以上观点正确,就算是本站原创作品,本站也不保证内容正确。 2、如果您拥有本文版权,并且不想在本站转载,请书面通知本站立即删除并且向您公开道歉! | |||||||
|
本站协议 |
版权信息 |
关于我们 |
本站地图 |
营业执照 |
发票说明 |
付款方式 |
联系方式
深圳市宝安区西乡五壹电子商行——粤ICP备16073394号-1;地址:深圳西乡河西四坊183号;邮编:518102 E-mail:51dz$163.com($改为@);Tel:(0755)27947428 工作时间:9:30-12:00和13:30-17:30和18:30-20:30,无人接听时可以再打手机13537585389 |