注意:访问本站需要Cookie和JavaScript支持!请设置您的浏览器! 打开购物车 查看留言付款方式联系我们
初中电子 单片机教材一 单片机教材二
搜索上次看见的商品或文章:
商品名、介绍 文章名、内容
首页 电子入门 学单片机 免费资源 下载中心 商品列表 象棋在线 在线绘图 加盟五一 加入收藏 设为首页
本站推荐:
简易电压保持器电路
文章长度[1050] 加入时间[2007/1/4] 更新时间[2025/11/3 3:20:27] 级别[0] [评论] [收藏]

作者:未知 来源:未知  

  
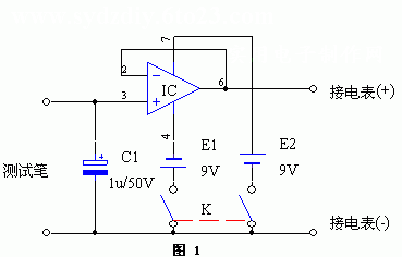
  图1所示为简易电压保持器电路,在用于测量线路(或线路板)的工作电压时,可使电压值长期保持在电压表上。这样既可避免测量时要照顾到表笔与测试点是否接触,又要读取电压表上的读数的麻烦,而且还可以避免出现一些不应发生的差错(如表笔将测试两点短路等)。
  图中,IC采用uA741等通用型集成运算放大器,并接成1∶1的电压跟随器形式,输入阻抗很高,而增益为1,实际是起阻抗变换用。在IC同相输入端并接一个电容C1,C1称之为测试保持电容。当测试表笔与测试点连接后,测试点电压对测试保持电容C1充电,约1s后,C1迅速被充到被测电压值。当表笔从测试点移开后。C1则通过集成运算放大器的输入阻抗放电。但因IC的输人阻抗很高,放电电流极小,放电过程进行得很慢。所以,在相当长的时间内C1基本上能够保持所测电压值,从而使IC输出端,即电压表上也能长时间保持这电压值,供挪开表笔后读数。下次测试前,只要先用表笔将C1短接一下,电压表上的读数就会立即消除。
  K为电源开关,IC的供电电压为±9V。   
  电路的电压测量范围为0.1~9V。若要扩大测量范围,可以在输入端加接电阻分压电路。测试保持电容C1应选用漏电小的钽电容。此外,为了减小测试误差,IC应选用高输入阻抗的集成运算放火器。

1、 本站不保证以上观点正确,就算是本站原创作品,本站也不保证内容正确。
2、如果您拥有本文版权,并且不想在本站转载,请书面通知本站立即删除并且向您公开道歉! 以上可能是本站收集或者转载的文章,本站可能没有文章中的元件或产品,如果您需要类似的商品请 点这里查看商品列表!
本站协议 | 版权信息 |  关于我们 |  本站地图 |  营业执照 |  发票说明 |  付款方式 |  联系方式
深圳市宝安区西乡五壹电子商行——粤ICP备16073394号-1;地址:深圳西乡河西四坊183号;邮编:518102
E-mail:51dz$163.com($改为@);Tel:(0755)27947428
工作时间:9:30-12:00和13:30-17:30和18:30-20:30,无人接听时可以再打手机13537585389