注意:访问本站需要Cookie和JavaScript支持!请设置您的浏览器! 打开购物车 查看留言付款方式联系我们
初中电子 单片机教材一 单片机教材二
搜索上次看见的商品或文章:
商品名、介绍 文章名、内容
首页 电子入门 学单片机 免费资源 下载中心 商品列表 象棋在线 在线绘图 加盟五一 加入收藏 设为首页
本站推荐:
数字电路设计的抗干扰考虑
文章长度[4281] 加入时间[2006/9/9] 更新时间[2025/11/5 0:26:01] 级别[3] [评论] [收藏]
在电子系统设计中,为了少走弯路和节省时间,应充分考虑并满足抗干扰性的要求,避免在设计完成后再去进行抗干扰的补救措施。形成干扰的基本要素有三个:
(1)干扰源,指产生干扰的元件、设备或信号,用数学语言描述如下:du/dt,di/dt大的地方就是干扰源。如:雷电、继电器、可控硅、电机、高频时钟等都可能成为干扰源。
(2)传播路径,指干扰从干扰源传播到敏感器件的通路或媒介。典型的干扰传播路径是通过导线的传导和空间的辐射。
(3)敏感器件,指容易被干扰的对象。如:A/D、D/A变换器,单片机,数字IC,弱信号放大器等。
抗干扰设计的基本原则是:抑制干扰源,切断干扰传播路径,提高敏感器件的抗干扰性能。
1 抑制干扰源

抑制干扰源就是尽可能的减小干扰源的du/dt,di/dt。这是抗干扰设计中最优先考虑和最重要的原则,常常会起到事半功倍的效果。
减小干扰源的du/dt主要是通过在干扰源两端并联电容来实现。减小干扰源的di/dt则是在干扰源回路串联电感或电阻以及增加续流二极管来实现。
抑制干扰源的常用措施如下:
(1)继电器线圈增加续流二极管,消除断开线圈时产生的反电动势干扰,见图1。仅加续流二极管会使继电器的断开时间滞后,增加稳压二极管后继电器在单位时间内可动作更多的次数。
(2)在继电器接点两端并接火花抑制电路,减小电火花影响,见图2。
(3)给电机加滤波电路,注意电容、电感引线要尽量短,见图3。
(4)电路板上每个IC要并接一个0.01μF~0.1μF高频电容,以减小IC对电源的影响,见图4。注意高频电容的布线,图a和图b的效果相差很大,图c比图b的效果更好。图a的布线增大了电容的等效串联电阻,影响了滤波效果。
(5)布线时避免90度折线,减少高频噪声发射,见图5。
(6)可控硅两端并接RC抑制电路,减小可控硅产生的噪声。

2 切断干扰传播路径

按干扰传播路径可分为传导干扰和辐射干扰两类。
所谓传导干扰是指通过导线传播到敏感器件的干扰。高频干扰噪声和有用信号的频带不同,可以通过在导线上增加滤波器的方法切断高频干扰噪声的传播,有时也可加隔离光耦来解决。电源噪声的危害最大,要特别注意处理。所谓辐射干扰是指通过空间辐射传播到敏感器件的干扰。一般的解决方法是增加干扰源与敏感器件的距离,用地线把它们隔离和在敏感器件上加屏蔽罩。
切断干扰传播路径的常用措施如下:
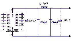
(1)充分考虑电源对单片机的影响,电源做得好,整个电路的抗干扰就解决了一大半,见图6。许多单片机对电源噪声很敏感,要给单片机电源加滤波电路或稳压器,以减小电源噪声对单片机的干扰。其中L为磁珠,也可用100Ω电阻代替。
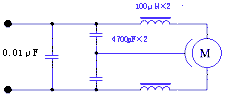
(2)如果单片机的I/O口用来控制电机等噪声器件,在I/O口与噪声源之间应加隔离,见图7。其中L为磁珠,也可用100Ω电阻代替。
(3)注意晶振布线,见图8。晶振与单片机引脚尽量靠近,用地线把时钟区隔离起来,晶振外壳接地并固定。此措施可解决许多疑难问题。
(4)电路板合理分区,如强、弱信号,数字、模拟信号。尽可能把干扰源(如电机,继电器)与敏感元件(如单片机)远离,见图9。
(5)用地线把数字区与模拟区隔离,数字地与模拟地要分离,最后接于电源地,见图10。A/D、D/A芯片布线也以此为原则,厂家分配A/D、D/A芯片引脚排列时已考虑此要求。
(6)单片机和大功率器件的地线要单独接地,以减小相互干扰。 大功率器件尽可能放在电路板边缘,见图11。

(7)在单片机I/O口,电源线,电路板连接线等关键地方使用抗干扰元件如磁珠、磁环、电源滤波器,屏蔽罩,可显著提高电路的抗干扰性能。


3 提高敏感器件的抗干扰性能

提高敏感器件的抗干扰性能是指从敏感器件这边考虑尽量减少对干扰噪声的拾取,以及从不正常状态尽快恢复的方法。
提高敏感器件抗干扰性能的常用措施如下:
(1)布线时尽量减少回路环的面积,以降低感应噪声,见图12。
(2)布线时,电源线和地线要尽量粗。除减小压降外,更重要的是降低耦合噪声。
(3)对于单片机闲置的I/O口,不要悬空,要接地或接电源。其它IC的闲置端在不改变系统逻辑的情况下接地或接电源。
(4)对单片机使用电源监控及看门狗电路,如:IMP809,IMP706,IMP813,X25043,X25045等,可大幅度提高整个电路的抗干扰性能。
(5)在速度能满足要求的前提下,尽量降低单片机的晶振和选用低速数字电路。
(6)IC器件尽量直接焊在电路板上,少用IC座。


按此在新窗口浏览图片
图1 消除线圈反电势干扰


按此在新窗口浏览图片
图2 减小继电器火花


按此在新窗口浏览图片
图3 电机加滤波电路


按此在新窗口浏览图片
图4 IC并接高频电容


按此在新窗口浏览图片
图5 正确布线


按此在新窗口浏览图片
图6 消除电源噪声


按此在新窗口浏览图片
图7 与噪声源隔离


按此在新窗口浏览图片
图8 正确配置晶振


按此在新窗口浏览图片
图9 电路板合理分区


按此在新窗口浏览图片
图10 数字地与模拟地分离


按此在新窗口浏览图片
图11 处理好大功率器件地线


按此在新窗口浏览图片
图12 减少回路环面积

1、 本站不保证以上观点正确,就算是本站原创作品,本站也不保证内容正确。
2、如果您拥有本文版权,并且不想在本站转载,请书面通知本站立即删除并且向您公开道歉! 以上可能是本站收集或者转载的文章,本站可能没有文章中的元件或产品,如果您需要类似的商品请 点这里查看商品列表!
本站协议 | 版权信息 |  关于我们 |  本站地图 |  营业执照 |  发票说明 |  付款方式 |  联系方式
深圳市宝安区西乡五壹电子商行——粤ICP备16073394号-1;地址:深圳西乡河西四坊183号;邮编:518102
E-mail:51dz$163.com($改为@);Tel:(0755)27947428
工作时间:9:30-12:00和13:30-17:30和18:30-20:30,无人接听时可以再打手机13537585389