| 注意:访问本站需要Cookie和JavaScript支持!请设置您的浏览器! • 打开购物车 • 查看留言 • 付款方式 • 联系我们 |
![]() |
| 首页 | 电子入门 | 学单片机 | 免费资源 | 下载中心 | 商品列表 | 象棋在线 | 在线绘图 | 加盟五一 | 加入收藏 | 设为首页 |
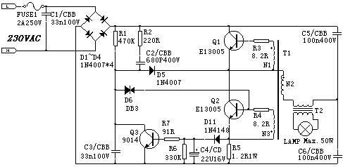
| 选择分类:当前分类——电子制作 相关联或者相类似的文章: 寄生可控硅效应的防护措施。(584) 卫星电视广播(584) 儿童天真笑话(584) 如何学习现代电子技术(584) 一种低压单管逆变电路(584) 手机旧号码半年不充值被回收(583) 常用电源电路资料 (583) 一。一般制冷原理(583) 带短路保护功能的50W电子变压器(583) 32. 电子密码锁设计 (583) 放大器的类别(582) 射极耦合双稳态电路(582) [转贴]如何提高自己的编程水平(582) 电阻的色环是这样定义的(582) 设计巧妙的数显抢答器 (582) ++ 自制永磁螺丝刀(起子) +(582) 电源开关控制电路(582) 我的好色电脑(582) [转载]绝对经典奉献!5.1音响遥控解码程序!(581) 200米四键遥控模块(580) 首页 前页 后页 尾页 本站推荐: | 带短路保护功能的50W电子变压器 1、 本站不保证以上观点正确,就算是本站原创作品,本站也不保证内容正确。 2、如果您拥有本文版权,并且不想在本站转载,请书面通知本站立即删除并且向您公开道歉! |
|
本站协议 |
版权信息 |
关于我们 |
本站地图 |
营业执照 |
发票说明 |
付款方式 |
联系方式
深圳市宝安区西乡五壹电子商行——粤ICP备16073394号-1;地址:深圳西乡河西四坊183号;邮编:518102 E-mail:51dz$163.com($改为@);Tel:(0755)27947428 工作时间:9:30-12:00和13:30-17:30和18:30-20:30,无人接听时可以再打手机13537585389 |