注意:访问本站需要Cookie和JavaScript支持!请设置您的浏览器! 打开购物车 查看留言付款方式联系我们
初中电子 单片机教材一 单片机教材二
搜索上次看见的商品或文章:
商品名、介绍 文章名、内容
首页 电子入门 学单片机 免费资源 下载中心 商品列表 象棋在线 在线绘图 加盟五一 加入收藏 设为首页
本站推荐:
超声波智能测距传感模块
文章长度[5283] 加入时间[2006/7/1] 更新时间[2025/10/14 19:29:41] 级别[3] [评论] [收藏]





    超声波测距是基于超声波发射原理,在1秒内发出数个超声波,然后接收它的回波,由于声波在空气中的传送速度较慢,利用发、收过程中产生的时间差,就可以计算出前方物体离电路的实际距离。

 



    本产品程序中加入了三段距离的检测功能,这样,在物体离电路的距离达到某数值时,电路会输出控制信号,并可以驱动外部负载,所以电路可以被应用于自动门,液位检测,数量统计,安防产品,机器人传感等场合。


   
电路的输入电压:9-15V,极限值7-18V,只是在15V以上时,由于稳压器7805上的压差较大,发热量大些,并不妨碍电路正常工作。


     电路的工作电流见下表,供参考:

























输入电压

工作电流

将显示去掉的工作电流

8V

40mA

24 mA

12V

45 mA

28 mA

15V

48 mA

31 mA

18V

50 mA

34 mA


电路上有三个功能设定键

其中:“sheding”键为功能转换

“+”按一下,数字增加一个,按住不放,数字连续增加;

“-”按一下,数字减少一个,按住不放,数字连续减少;

功能设定过程:

一、 盲区设定:按一下“sheding”显示“□□□”之后转为数字0.10,即目前盲区为0.1米,按动“+”增加到所需的盲区距离,一般不用改动,盲区即为某距离内不识别物体的区域,在某些环境中很有作用;

二、 近距离设定:再按一下“sheding”,显示“AAA”之后转为数字,可按“+”“-”设定近距离检测数值,单位:米,最小距离0.1米;

三、 中距离设定:再按一下“sheding”显示“BBB”之后转为数字,可按“+”“-”设定中距离检测数值,单位:米,最小距离0.1米;

四、 远距离设定:再按动“sheding”显示“CCC” 之后转为数字,可按“+”“-”设定远距离检测数值,单位:米,最大距离9.99米;

五、 输出延时设定:本电路给出了一组定时器电路,在动作后,可延时一段时间,以方便用户使用,在完成距离设定后,再按一下“sheding”显示“---”之后转为数字,这时,可按“+”“-”设定时间,单位:秒,最长延时为999秒;

注意:

1、 功能设定一旦进入,不能直接退出,只能连续按“sheding”键回到正常显示状态,电路方开始正常工作;

2、 进行距离设定时,必须遵循“近〈 中〈 远”的原则,否则电路会拒绝设定;

3、 最远距离“CCC”出厂时均被设定为9.99米,此距离作为最远距离段的检测,同时,也会影响到整个电路的检测灵敏度,即最大距离,当其被设定为2米时,最大显示距离只能到3米左右,不会到9米左右,这是电路内部设定的抗干扰措施,在电路中设置有外部存储器和看门狗电路,可以保证设置后的数据保持和防止电路出现检测异常。

应用技巧:

    由于本电路的灵敏度很高,且易受周围,尤其是检测目标附近的物体影响会造成声波反射,使电路检测数值不正确,这时可用以下两种方法解决:

一、 调整电路探头的方向,使其正对被检测物体;

二、 调整灵敏度,在电路上有一只蓝色的可调电位器,将其顺时针调灵敏度降低,逆时针调灵敏度升高,将灵敏度降低会有很大的效果,它会降低周围物体的反射能量,但同时会带来最大检测距离降低的后果,电路在检测不到信号时,会显示NO。

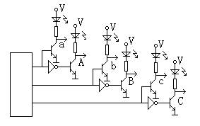
输出电路

    针对三段距离的检测,本电路给出了三组共六个输出端子,每一组有2个状态相反的输出,可满足大多数用户的需要,每组输出可驱动200mA,电路内部已接有续流二极管,可直推继电器。

输出电路的示意图见下图,采用ULN2003A专用驱动集成电路:


电压:9-18V

板上有三个设定键:

“+”:按一下为增加,按动则连续增加。

“-”:按一下为减少,按动则连续减少。

“设定”:

1、 按一下显示“口”之后为数字。

盲区设定,电路在盲区内不动作;当要求近距离不动作时, 则可将其设定为盲区。

2、 再按一下显示“A”,之后为数字。

近距离设定:当检测距离小于该设定时,有输出信号。

3、 再按一下显示“B”,之后为数字。

中距离设定当检测距离小于该设定时,有输出信号。

4、 再按一下显示“C”,之后为数字。

远距离设定当检测距离小于该设定时,有输出信号。

5、 再按一下显示“……”之后为数字。

输出延时设定,单位秒,初始状态为“0”秒。

6、 再按一下正常测距,并显示实际距离。

注意: 距离设定时,必须遵循“近<中<远”的原则.
1、 本站不保证以上观点正确,就算是本站原创作品,本站也不保证内容正确。
2、如果您拥有本文版权,并且不想在本站转载,请书面通知本站立即删除并且向您公开道歉! 以上可能是本站收集或者转载的文章,本站可能没有文章中的元件或产品,如果您需要类似的商品请 点这里查看商品列表!
本站协议 | 版权信息 |  关于我们 |  本站地图 |  营业执照 |  发票说明 |  付款方式 |  联系方式
深圳市宝安区西乡五壹电子商行——粤ICP备16073394号-1;地址:深圳西乡河西四坊183号;邮编:518102
E-mail:51dz$163.com($改为@);Tel:(0755)27947428
工作时间:9:30-12:00和13:30-17:30和18:30-20:30,无人接听时可以再打手机13537585389