注意:访问本站需要Cookie和JavaScript支持!请设置您的浏览器! 打开购物车 查看留言付款方式联系我们
初中电子 单片机教材一 单片机教材二
搜索上次看见的商品或文章:
商品名、介绍 文章名、内容
首页 电子入门 学单片机 免费资源 下载中心 商品列表 象棋在线 在线绘图 加盟五一 加入收藏 设为首页
本站推荐:
电子制作:频率合成参考资料
文章长度[5432] 加入时间[2006/7/1] 更新时间[2025/11/2 13:22:49] 级别[3] [评论] [收藏]
  我是一名大学生,我所学的专业是通信,所以我对高频方面的东西比较感兴趣,特别是关于频率合成方面的,但学校有关这方面的资料太少了.今天特地进入贵网站求得您的帮助.如果您有这方面的资料,我希望得到您的帮助.在此表示衷心的感谢

  高频和频率合成包括的范围太大了,你具体哪方面的资料,请说清楚,如果我们有的话,我们会尽力提供的。但是我们希望交流,所谓交流,就是你提供一份你认为有价值机技术资料给我们(学术论文、毕业论文、考研论文都可以,但必需是电子方面的),我们就提供一份你所需要的资料给你。

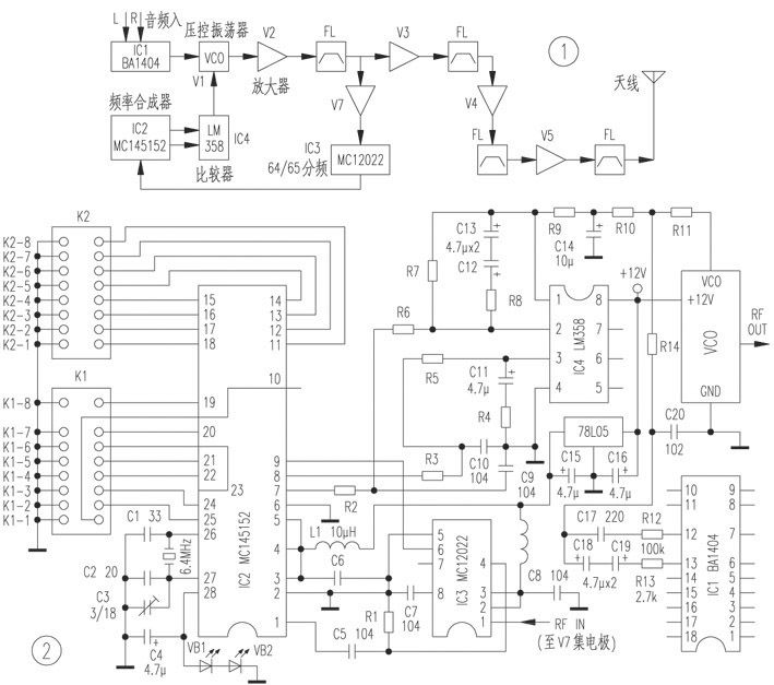
  MC145152,而且采用的是外接拨码开关预置频率的方法,故不懂单片机技术的爱好者也可模仿制作。在此本文仅着重介绍其合成单元(如图2所示),供读者参考。
  IC3为微波高速分频器MC12022(相似的还有NE571等,但引脚排列稍有不同),按本电路上的方式连接,其固定分频比为64/65,再配合MC145152外接的拨码开关K1、K2获得一定的分频比,可将84~112 MHz(或1.6~1000MHz)的VCO输出频率(该频率从IC3的{1}脚输入)分频后得到约为0.025MHz的信号,该信号与大规模数字频率合成电路MC145152(IC2)的{26}、{27}脚外接的6.4 MHz晶体经256次分频({4}、{5}、{6}脚为参考分频器分频预置端,分别接高电平或地时,可得到8、64、128、256、512、1024、1160、2048次分频比,本电路的{4}、{5}脚接+5V,{6}脚接地,故参考分频比为256次)而得到的0.025 MHz基准频率相比,鉴相后从IC2的{7}、{8}脚输出,经运放IC4(LM358)组成的低通电路,由IC4的{1}脚产生出0~11V的误差电压(即压控振荡器控制电压),经R9、R10、R11送至VCO,使压控振荡器输出频率锁定在预置频点上,此时,IC2的{28}脚输出高电平,VD1、VD2点亮以示频率锁定。改变发射频率只需改变K1、K2的通断即可。由于K1、K2分别为8位拨码开关,为方便使用,厂家已将计算结果简化后标示在电路板上的拨码开关旁边,预置所需频率时只需按照每个拨码开关代表的设置频率累积相加即可。例如K2-2代表的设置频率为102.4 MHz,K2-7和K1-3分别代表的设置频率为3.2 MHz和0.2 MHz(其他拨码开关从略),因此,如果将K2-2置为关断状态(电路板上标为“SET”,MC145152的{17}脚悬空,即高电平),其他开关拨为导通状态时(电路板上标为“OFF”),则VCO输出102.4 MHz的稳定频率,若再将K2-7也同时置为“SET”位置,则输出102.4+3.2=105.6 MHz频率,若再将K1-3也同时置为“SET”位置,则输出102.4+3.2+0.2=105.8 MHz的频率。
  设置频率时,若适当超出VCO的84~112 MHz频率范围,发光二极管VD1、VD2熄灭,可调整VCO的振荡线圈,获得70~130 MHz的频率范围,但功率放大电路的输出将减少,若再重新统调功放的各级线圈或更改功放元件的参数,也能获得足够的输出功率。若要获得70~130 MHz以外的其他频率,则更改VCO的元件参数仍能锁定。由于分频器MC12022的分频作用,故按照本电路连接时最低频置只能做到1.6 MHz,若的确需要更低的频率,则可取消分频器MC12022再作调整或改变其分频比。由于MC12022的极限频率较高,故一般数百兆至一千兆的频率还是很容易达到的。
  按此在新窗口浏览图片


  按此在新窗口浏览图片

  MC145152是MOTOROLA公司生产的大规模集成电路,它是一块采用半行码输入方式置定、由14根并行输入数据编程的双模CMOS-LSI锁相环频率合成器,其内部组成框图如图1所示。该芯片内含参考频率振荡器、可供用户选择的参考分频器(12×8ROM参考译码器和12bit÷R计数器)、双端输出的鉴相器、控制逻辑、10位可编程的10bit÷N计数器、6位可编程的6bit÷A计数器和锁定检测等部分。其中,10bit÷N计数器、6bit÷A计数器、模拟控制逻辑和外接双模前置分频器组成吞脉冲程序分频器,吞脉冲程序分频器的总分频比为:D=VN+A。
  

2. 管脚排列及功能


  MC145152的管脚排列如图2所示。采用28脚DIP封装,各管脚功能如下:
  引脚4、5、6(RA0、RA1、RA2)为参考地址码输入端,用于选择参考分频器的分频比。通过12×8ROM参考译码器和12bit÷R计数器进行编程。分频比有8种选择,其参考地址码与分频比的关系见表1所列。
  引脚26、27(OSCIN、OSCOUT)为参考振荡端,当两引脚接上一个并联谐振晶体时,便组成一个参考频率振荡器。但在OSCIN到地和OSCOUT到地之间一般应接上频率置定电容(一般为15pF左右)。OSCIN也可作为外部参考信号的输入端。
  引脚1(VCO)为输入信号端,将输入信号交流耦合到本引脚,其输入信号频率应小于30MHz。
  引脚10、21~25(A5~A0)为6bit÷A计数器的分频端。其预置数决定了÷V/(V+1)双模前置频器的÷V/(V+1)的次数。
  引脚11~20(N9~N0)为10bit÷N计数器的分频端。
  引脚7、8(φV、φr)为鉴相器双输出端,用于输出环路误差信号。如果fV>fr或fV的相位超前fr,则φV变为低电平而φr仍为高;如果fV  引脚9(MC)为模式控制端,输出的模式控制信号加到双模分频器即可实现模式变换。在一个计数周期开始时,“MC”处于低电平,一直到A下行计满它的编程值为止,然后,“MC”跳为高电平,并一直维持到÷N计数器下行计满编程的剩余值(N-A)。N计数器计满量后,“MC”复位为低,两个计数器重新预置到各自的编程值上,再重复上述过程。
  引脚28(LD)为锁定检测端,用于锁定输出信号。当环路锁定时(即φV与φr同频同相),该信号为高电平;当环路失锁时,LD为低电平。


3. 应用实例


  图4为开发设计的铁路专用150MHz超短波干扰定向仪部分电路,其中FM接收机MC3363中的压控振荡器输出的频率通过双模预分频器MC12017预分频,再输出到可编程并行输入锁相环MC145152中,单片机AT89C51通过I/O口对MC145152进行编程,以改变其计数器的计数初值,从而改变分频比,鉴相器双输出端输出的误差信号φV和φr输入到由LM358构成一级双端输入的有源低通滤波器,其中R10、R18、R12、C16等构成有源滤波器输入电路的RC低通环节,而R11、C17构成有源滤波器的高反馈环节。由D1和C14、R9、C15网络组成的峰值检波器将有源滤波器输出的误差电压进一步平滑后,直接对MC3363中的压控振荡器进行控制,构成了一个完整的数控锁相环。单片机接收人工调整、设置的数值,并对MC145152的计数器计数初值进行不同的预置,以锁定不同的频率,达到改变不同频点信号的目的。对应频点的信号经A/D到单片机后,再输入到字符显示器中显示信号场强。



按此在新窗口浏览图片



按此在新窗口浏览图片
按此在新窗口浏览图片
按此在新窗口浏览图片


有关锁相环的内容太少了,几乎找不到!!
我想学习着方面的东西,希望大家帮个忙!!
有关锁相环应用的论文最好!!
谢谢咯
油箱ltiger520@yahoo.com.cn


答:可以提供以下资料:毕业设计:
(1)基于单片机控制的频率合成器设计
(2)串行数字锁相频率合成器的设计
(3)电话控制器的设计
(4)dtmf远程报警器的设计
(5)数字调谐调频收音机的设计
欢迎交换和联系,你可以直接发布在这里也可发到我的信箱,xingshucun@yahoo.com.cn


MC145152外接拨码开关预置频率的具体方法是什么样的?谁会计算公式帮忙说一下, 发到邮箱 huyx002@sina.com
万分感谢!!!


  我的应用一般是:MC145151的频率设置,实际工作频率/参考频率*1000再转化为二进制数.对应脚:23\22\25\24\20\19\18\17\16\15\14\13\12\11  这是在没有外加分频时的调整.
如工作频率是100MHz,参考频率是25KHz,100/25*1000=4000在转化为二进制就是01000101001100参考频率的设置资料上介绍的很详细这里不作介绍按此在新窗口浏览图片

按此在新窗口浏览图片


有没有人知道MC145146实现锁相环输出频率在200--270MHz的电路!!??

MC145146要工作在200--270MHz,需要加前置分频器的啦。它的参考分频为3---4095。除N范围为3---1023,除A范围为0---127。

1、 本站不保证以上观点正确,就算是本站原创作品,本站也不保证内容正确。
2、如果您拥有本文版权,并且不想在本站转载,请书面通知本站立即删除并且向您公开道歉! 以上可能是本站收集或者转载的文章,本站可能没有文章中的元件或产品,如果您需要类似的商品请 点这里查看商品列表!
本站协议 | 版权信息 |  关于我们 |  本站地图 |  营业执照 |  发票说明 |  付款方式 |  联系方式
深圳市宝安区西乡五壹电子商行——粤ICP备16073394号-1;地址:深圳西乡河西四坊183号;邮编:518102
E-mail:51dz$163.com($改为@);Tel:(0755)27947428
工作时间:9:30-12:00和13:30-17:30和18:30-20:30,无人接听时可以再打手机13537585389