| 注意:访问本站需要Cookie和JavaScript支持!请设置您的浏览器! • 打开购物车 • 查看留言 • 付款方式 • 联系我们 |
![]() |
| 首页 | 电子入门 | 学单片机 | 免费资源 | 下载中心 | 商品列表 | 象棋在线 | 在线绘图 | 加盟五一 | 加入收藏 | 设为首页 |
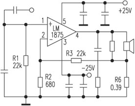
| 选择分类:当前分类——实用电路 相关联或者相类似的文章: EZ编程器自制问答(306) 蝙蝠牌电蚊拍故障检修(304) 请教这个残局有解么(303) 改进TOP222P开关电源模块 (300) 自制无源RS232-485转换器 (300) 500型多用表的小改进(299) 用单片机AT89C2051控制的充电器(296) 短信运行商诈骗黑幕! (293) PF-4型电子恒温仪电路及维修(292) 红外感应开关套件(291) 一装响收音机(采用TA7642)(290) 无线鼠标原理 (290) 一款玩具电子琴(289) 电视方格信号发生器(早已经断货)(280) PLC和单片机一体工控板(280) 光耦CRT的简易测试(277) 自制2.1声道多媒体音响系统(262) 湿度传感器的发展趋势(250) ST Flash的管脚定义 (250) 小调频发射器电路 回复 (246) 首页 前页 后页 尾页 本站推荐: | LM1875的应用 LM1875是一高质量的音响放大器,它可以为4欧姆的负载提供25W的输出功率。当使用单电源供电时,它能向4欧姆的负载提供20W的功率。并且只产生0.015%的失真。 它为TO-220封装,1脚‘+’输入,2脚‘-’输入,3脚‘地’,4脚‘输出’,5脚电源‘+’。 注意采用双电源供电时,必需使用绝缘垫。
1、 本站不保证以上观点正确,就算是本站原创作品,本站也不保证内容正确。 2、如果您拥有本文版权,并且不想在本站转载,请书面通知本站立即删除并且向您公开道歉! |
|
本站协议 |
版权信息 |
关于我们 |
本站地图 |
营业执照 |
发票说明 |
付款方式 |
联系方式
深圳市宝安区西乡五壹电子商行——粤ICP备16073394号-1;地址:深圳西乡河西四坊183号;邮编:518102 E-mail:51dz$163.com($改为@);Tel:(0755)27947428 工作时间:9:30-12:00和13:30-17:30和18:30-20:30,无人接听时可以再打手机13537585389 |