注意:访问本站需要Cookie和JavaScript支持!请设置您的浏览器! 打开购物车 查看留言付款方式联系我们
初中电子 单片机教材一 单片机教材二
搜索上次看见的商品或文章:
商品名、介绍 文章名、内容
首页 电子入门 学单片机 免费资源 下载中心 商品列表 象棋在线 在线绘图 加盟五一 加入收藏 设为首页
本站推荐:
自制跨步电压触电模拟装置
文章长度[1347] 加入时间[2006/7/1] 更新时间[2025/11/1 4:08:24] 级别[3] [评论] [收藏]

2003年,第4期,类别:电子技校


    笔者制成了一套跨步电压触电模拟装置,经本校几位老师用此装置给学生做演示实验,普遍认为效果很好。
    1. 电路原理
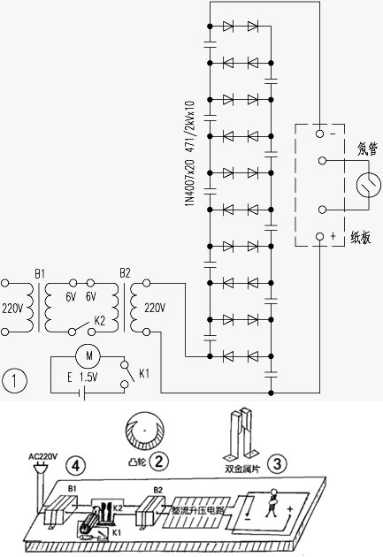
    电路见图1。图中B1为220V输入、6V输出,B2为6V输入、220V输出的变压器,它们组成1∶1隔离变压器形式。K2为断续器,由带凸轮的电动机和两金属片组成。当合上开关K1时,电动机转动,带动凸轮周期性地挤压K2的金属片,使两触点周期性地接触与断开。在断开的瞬间B2次级输出很高的感应电压,再经10倍压整流为几万伏直流高压,用以模拟跨步电压触电。
    2. 制作方法
    (1)制作底板:制一个长宽为60cm×20cm,厚为1cm的木板。
    (2)制K2断续器:找一个小电动机(本人用1.5V电动机)与一个直径为2cm左右,有一定厚度的硬塑料片,并将此片制成凸轮,制法如图2(去掉阴影部分即为凸轮)。将凸轮中心钻孔后套在电动机轴上,并用502胶水粘牢,再取两金属片制成如图3的触头。
    (3)用电烙铁焊好10倍压整流部分。
    (4)制小木人:在小木人胸前挖一长方形小槽,把测电笔中氖管放在此槽中,再把两金属片分别贴在木人的脚趾部位,并用两根导线把这对金属片相连后分别缠绕在木人的两腿上再与氖管两极相连,然后用透明胶布封上木人胸前小槽,当氖管发光时,光易从透明胶布中射出。
    (5)制作“地面”;可用长25cm左右,宽10cm,厚1~2mm的包装箱纸板来模拟“地面”。
    (6)将上述器材固定在木板上,并焊接好其他导线(如图4)。
    3. 模拟实验
    首先向“地面”喷水,使其完全湿润,多余的水用卫生纸吸干。让木人站在“地面”上,并将两脚与高压阳极距离前后错开,接通220V电源,然后合上开关K1,电动机转动,发现氖管立即发光,证明木人“触电”;当木人向阳极“走”近时氖管发光更强烈,证明有更大电流通过“人体”,因而更危险;当木人单脚站立或双脚紧靠一起时,氖管都不发光,说明这两种情况“人”是安全的。

                                湖北  杜益群  蔡夕云



 

1、 本站不保证以上观点正确,就算是本站原创作品,本站也不保证内容正确。
2、如果您拥有本文版权,并且不想在本站转载,请书面通知本站立即删除并且向您公开道歉! 以上可能是本站收集或者转载的文章,本站可能没有文章中的元件或产品,如果您需要类似的商品请 点这里查看商品列表!
本站协议 | 版权信息 |  关于我们 |  本站地图 |  营业执照 |  发票说明 |  付款方式 |  联系方式
深圳市宝安区西乡五壹电子商行——粤ICP备16073394号-1;地址:深圳西乡河西四坊183号;邮编:518102
E-mail:51dz$163.com($改为@);Tel:(0755)27947428
工作时间:9:30-12:00和13:30-17:30和18:30-20:30,无人接听时可以再打手机13537585389