注意:访问本站需要Cookie和JavaScript支持!请设置您的浏览器! 打开购物车 查看留言付款方式联系我们
初中电子 单片机教材一 单片机教材二
搜索上次看见的商品或文章:
商品名、介绍 文章名、内容
首页 电子入门 学单片机 免费资源 下载中心 商品列表 象棋在线 在线绘图 加盟五一 加入收藏 设为首页
本站推荐:
自制2.1声道多媒体音响系统
文章长度[889] 加入时间[2006/7/1] 更新时间[2025/11/4 4:40:36] 级别[3] [评论] [收藏]


2003年,第6期,类别:音响技术


  本人给自己的电脑配个2.1声道,用专门的“炮”来对付低音,两只卫星箱又可做得小巧玲珑。
  1.电路设计
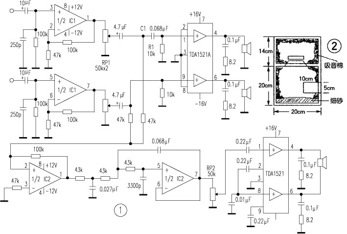
  如图1,左右声道由一只双运放作线路放大。为了让两只卫星箱在自己的频带内更好地工作,在左右声道功放之前设置了一阶高通滤波,截止频率f=1/6.28RICI。按图示值,高通截止频率约为200Hz。由一只TDA1521A作6W功率放大。低频通道由一只双运放组成,左右声道经1/2IC2做成的加法器复合后送入以1/2IC2为核心的巴特沃兹三阶低通滤波器,低频截止频率设在200Hz。一只TDA1521作BTL运用来担任低频功放(约30W)。变压器功率不小于100W,双12V电压经整流滤波后得到约双16V直流供功放用,另由稳压输出供前级。考虑到制作难度和功放的散热没有做成有源箱形式,而将整个电路装在一个小巧的铁盒中。
  2.音箱制作
  两只卫星箱选用银笛“Q15”布边小防磁,箱体用木板制成8cm×10cm×12cm大小,只从背面打一小眼将引线穿出。重低音箱体用1.2cm厚的密度板做成ASW带通式结构,装配如图2。两个箱室内壁贴上一层棉花吸音并在箱底垫上2~3cm厚的细砂(用两块布缝成砂袋)。喇叭用5英寸PP盆泡沫边,最好用防磁单元,功率25W左右,不要太大。
  运放IC1、IC2用NE5532即可,所有无极电容和电阻分别用聚丙烯电容和1/4W金属膜电阻,TDA1521A与TDA1521只在封装与功率上有差别,两片功放块的散热器要足够大。注意TDA1521/TDA1521A的散热器与负电源等电位。

                                     江苏  周杨



1、 本站不保证以上观点正确,就算是本站原创作品,本站也不保证内容正确。
2、如果您拥有本文版权,并且不想在本站转载,请书面通知本站立即删除并且向您公开道歉! 以上可能是本站收集或者转载的文章,本站可能没有文章中的元件或产品,如果您需要类似的商品请 点这里查看商品列表!
本站协议 | 版权信息 |  关于我们 |  本站地图 |  营业执照 |  发票说明 |  付款方式 |  联系方式
深圳市宝安区西乡五壹电子商行——粤ICP备16073394号-1;地址:深圳西乡河西四坊183号;邮编:518102
E-mail:51dz$163.com($改为@);Tel:(0755)27947428
工作时间:9:30-12:00和13:30-17:30和18:30-20:30,无人接听时可以再打手机13537585389