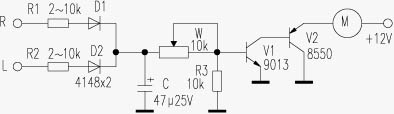
| 选择分类:当前分类——当前分类 相关联或者相类似的文章: 用万用表测可控硅(197) 100W纯直流高保真功放(196) 微型PIC16F84编程器的制作(195) “永动摆”演示电路(195) 用运放驱动的高性能功放(194) 电视机改制音频示波器(转载,英文)(192) 从内部寻找人才(190) 用89C2051制作八路断线数显报警器(188) 电子实验板放大图片!我请人拍的照(185) 感抗与容抗计算器(182) 实验直流日光灯电路(182) 判别红外接收头引脚方法(178) Hi-Fi配音控制放大器制作(176) 制作无线鼠标(175) 单片机七彩心形流水灯套件(172) 自制PIC16F84单片机学习套件(170) 具有识别功能的电子门铃(169) 用与非门制作的电子蜡烛(168) 制作LED灯的应知事项(168) 淘宝上的生意真难做,再见吧,淘宝!(166) 首页 前页 后页 尾页 本站推荐: | 为功放增加声控散热风扇 2003年,第7期,类别:音响技术 笔者用LM1875装一台BTL功放,由于受空间限制,不能使用大体积散热器,故加了一只散热风扇。但逐渐发现,对风扇的噪声也不能容忍,尤其在小音量听音或音乐间歇时,风扇发出的“呼呼”声却很大。 1、 本站不保证以上观点正确,就算是本站原创作品,本站也不保证内容正确。 2、如果您拥有本文版权,并且不想在本站转载,请书面通知本站立即删除并且向您公开道歉! |