注意:访问本站需要Cookie和JavaScript支持!请设置您的浏览器! 打开购物车 查看留言付款方式联系我们
初中电子 单片机教材一 单片机教材二
搜索上次看见的商品或文章:
商品名、介绍 文章名、内容
首页 电子入门 学单片机 免费资源 下载中心 商品列表 象棋在线 在线绘图 加盟五一 加入收藏 设为首页
本站推荐:
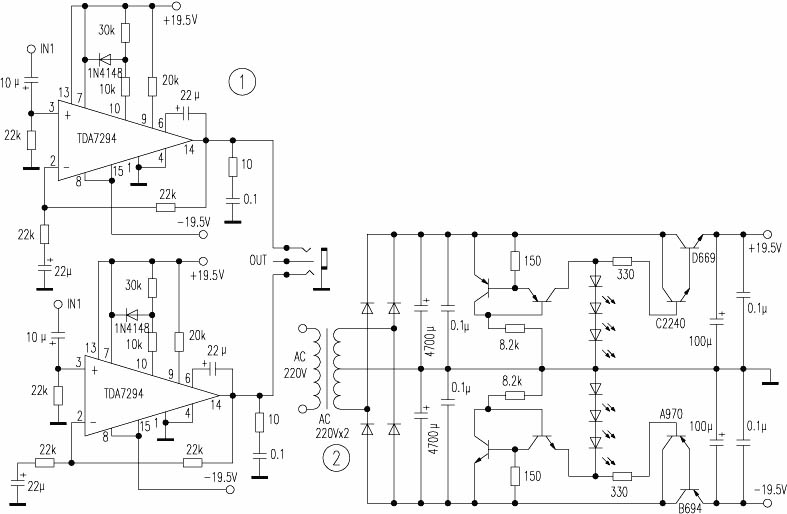
用TDA7294作耳机放大器
文章长度[766] 加入时间[2006/7/1] 更新时间[2025/11/5 8:07:08] 级别[3] [评论] [收藏]


2003年,第7期,类别:音响技术


  在二手市场购得一副森海塞尔HD565耳机,阻抗高达150Ω,因无专用的耳机放大器,直接用索尼D-EJ915 CD随身听驱动,效果不令人满意,特别是低频下潜不够深,又借来朋友的TEAC 5C台式CD驱动,音质有所改善,但低音还是不如人意。
  TDA7294是ST微电子公司一款优秀的Hi-Fi集成功放,输出级采用DMOS场效应管作功率放大,音质细腻、圆润,极具胆味。用它作耳机放大器效果如何?不妨一试。
  经过半天忙碌,用TDA7294制成的耳机放大器终于大功靠成。图1为耳机放大器电路,图2为电源电路。电路中所有电阻采用五环金属膜电阻,变压器选用20W国产优质变压器,次级为20V×2。滤波电容选用nichicon 4700μF/35V,在滤波电容旁边并联0.1μF的CBB电容。耳机放大适宜采用优质稳压源供电,以降低信号与电源的互扰,且供电电压不能过高,因此本电源用高稳定镜像恒流源和极低噪声的发光二极管稳压,再由优质音响管组成达林顿管取样,输出稳定强劲的电流。实践证明,该电源给耳机放大器供电比三端稳压器效果好。
  最后接上电源试机,HD565立即被TDA7294训得服服帖帖,高音纤细,低音饱满而富有弹性,在大动态的信号下,HD565爆发出排山倒海的气势,极具震撼力。

                                     湖南  廖建兴



1、 本站不保证以上观点正确,就算是本站原创作品,本站也不保证内容正确。
2、如果您拥有本文版权,并且不想在本站转载,请书面通知本站立即删除并且向您公开道歉! 以上可能是本站收集或者转载的文章,本站可能没有文章中的元件或产品,如果您需要类似的商品请 点这里查看商品列表!
本站协议 | 版权信息 |  关于我们 |  本站地图 |  营业执照 |  发票说明 |  付款方式 |  联系方式
深圳市宝安区西乡五壹电子商行——粤ICP备16073394号-1;地址:深圳西乡河西四坊183号;邮编:518102
E-mail:51dz$163.com($改为@);Tel:(0755)27947428
工作时间:9:30-12:00和13:30-17:30和18:30-20:30,无人接听时可以再打手机13537585389