| 注意:访问本站需要Cookie和JavaScript支持!请设置您的浏览器! • 打开购物车 • 查看留言 • 付款方式 • 联系我们 |
![]() |
| 首页 | 电子入门 | 学单片机 | 免费资源 | 下载中心 | 商品列表 | 象棋在线 | 在线绘图 | 加盟五一 | 加入收藏 | 设为首页 |
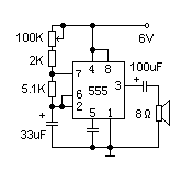
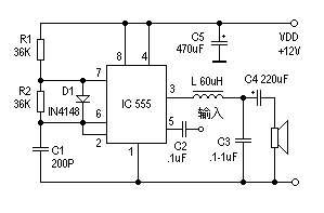
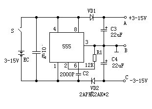
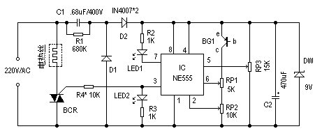
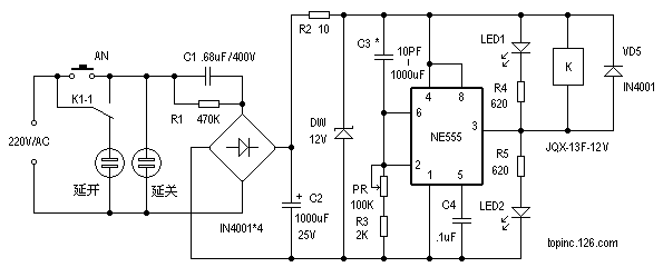
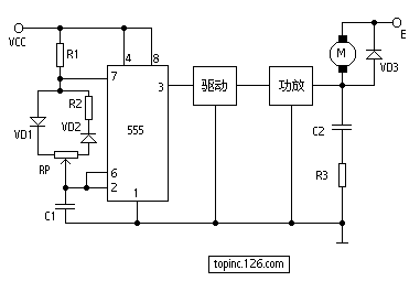
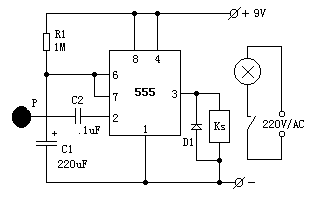
| 选择分类:当前分类——常用资料 相关联或者相类似的文章: 电子线路中的噪声(511) BA1404调频立体声发射芯片的原理与应用(511) BA1404/1404F 调频立体声发射电路(511) 健忘(510) 用PROTEL DXP电路板设计的一般原则(510) 业余条件下制作电路板七种方法(509) 电子元器件基本常识:常见的液晶显示器(509) 电热毯自动保护恒温器(509) 10. 00-99计数器(509) 利用TL431作大功率可调稳压电源(509) 数字化的优点(508) 也能称为“公益事业”(508) 半导体二极管的基本知识(508) 婚前婚后(508) 什么是闪存和缓存(508) BH1417的高保真锁相环调频立体声发射模块(508) 实用电工速算口诀集(507) 怎样用多个开关控制一盏灯(507) 密封铅酸蓄电池充电器设计实例(506) 浅谈干簧管的应用(506) 首页 前页 后页 尾页 本站推荐: | 555时基电路原理以及应用 555内部电原理图 ![]() 我们知道,555电路在应用和工作方式上一般可归纳为3类。每类工作方式又有很多个不同的电路。 在实际应用中,除了单一品种的电路外,还可组合出很多不同电路,如:多个单稳、多个双稳、单稳和无稳,双稳和无稳的组合等。这样一来,电路变的更加复杂。为了便于我们分析和识别电路,更好的理解555电路,这里我们这里按555电路的结构特点进行分类和归纳,把555电路分为3大类、8种、共18个单元电路。每个电路除画出它的标准图型,指出他们的结构特点或识别方法外,还给出了计算公式和他们的用途。方便大家识别、分析555电路。下面将分别介绍这3类电路。 单稳类电路 单稳工作方式,它可分为3种。见图示。 第1种(图1)是人工启动单稳,又因为定时电阻定时电容位置不同而分为2个不同的单元,并分别以1.1.1和1.1.2为代号。他们的输入端的形式,也就是电路的结构特点是:“RT-6.2-CT”和“CT-6.2-RT”。 ![]() 第2种(图2)是脉冲启动型单稳,也可以分为2个不同的单元。他们的输入特点都是“RT-7.6-CT”,都是从2端输入。1.2.1电路的2端不带任何元件,具有最简单的形式;1.2.2电路则带有一个RC微分电路。 ![]() 第3种(图3)是压控振荡器。单稳型压控振荡器电路有很多,都比较复杂。为简单起见,我们只把它分为2个不同单元。不带任何辅助器件的电路为1.3.1;使用晶体管、运放放大器等辅助器件的电路为1.3.2。图中列出了2个常用电路。 ![]() 双稳类电路 这里我们将对555双稳电路工作方式进行总结、归纳。555双稳电路可分成2种。 第一种(见图1)是触发电路,有双端输入(2.1.1)和单端输入(2.1.2)2个单元。单端比较器(2.1.2)可以是6端固定,2段输入;也可是2端固定,6端输入。 ![]() 第2种(见图2)是施密特触发电路,有最简单形式的(2.2.1)和输入端电阻调整偏置或在控制端(5)加控制电压VCT以改变阀值电压的(2.2.2)共2个单元电路。 ![]() 双稳电路的输入端的输入电压端一般没有定时电阻和定时电容。这是双稳工作方式的结构特点。2.2.2单元电路中的C1只起耦合作用,R1和R2起直流偏置作用。 无稳类电路 第三类是无稳工作方式。无稳电路就是多谐振荡电路,是555电路中应用最广的一类。电路的变化形式也最多。为简单起见,也把它分为三种。 第一种(见图1)是直接反馈型,振荡电阻是连在输出端VO的。 ![]() 第二种(见图2)是间接反馈型,振荡电阻是连在电源VCC上的。其中第1个单元电路(3.2.1)是应用最广的。第2个单元电路(3.2.2)是方波振荡电路。第3、4个单元电路都是占空比可调的脉冲振荡电路,功能相同而电路结构略有不同,因此分别以3.2.3a 和3.2.3b的代号。 ![]() 第三种(见图3)是压控振荡器。由于电路变化形式很复杂,为简单起见,只分成最简单的形式(3.3.1)和带辅助器件的(3.3.2)两个单元。图中举了两个应用实例。 ![]() 无稳电路的输入端一般都有两个振荡电阻和一个振荡电容。只有一个振荡电阻的可以认为是特例。例如:3.1.2单元可以认为是省略RA的结果。有时会遇上7.6.2三端并联,只有一个电阻RA的无稳电路,这时可把它看成是3.2.1单元电路省掉RB后的变形。 以上归纳了555的3类8种18个单元电路,虽然它们不可能包罗所有555应用电路,古话讲:万变不离其中,相信它对我们理解大多数555电路还是很有帮助的。 各种应用电路 555触摸定时开关 集成电路IC1是一片555定时电路,在这里接成单稳态电路。平时由于触摸片P端无感应电压,电容C1通过555第7脚放电完毕,第3脚输出为低电平,继电器KS释放,电灯不亮。 ![]() 当需要开灯时,用手触碰一下金属片P,人体感应的杂波信号电压由C2加至555的触发端,使555的输出由低变成高电平,继电器KS吸合,电灯点亮。同时,555第7脚内部截止,电源便通过R1给C1充电,这就是定时的开始。 当电容C1上电压上升至电源电压的2/3时,555第7脚道通使C1放电,使第3脚输出由高电平变回到低电平,继电器释放,电灯熄灭,定时结束。 定时长短由R1、C1决定:T1=1.1R1*C1。按图中所标数值,定时时间约为4分钟。D1可选用1N4148或1N4001。 相片曝光定时器 附图电路是用555单稳电路制成的相片曝光定时器。用人工启动式单稳电路。 工作原理: 电源接通后,定时器进入稳态。此时定时电容CT的电压为:VCT=VCC=6V。对555这个等效触发器来讲,两个输入都是高电平,即VS=0。继电器KA不吸合,常开点是打开的,曝光照明灯HL不亮。 ![]() 按一下按钮开关SB之后,定时电容CT立即放到电压为零。于是此时555电路等效触发的输入成为:R=0、S=0,它的输出就成高电平:V0=1。继电器KA吸动,常开接点闭合,曝光照明灯点亮。按钮开关按一下后立即放开,于是电源电压就通过RT向电容CT充电,暂稳态开始。当电容CT上的电压升到2/3VCC既4伏时,定时时间已到,555等效电路触发器的输入为:R=1、S=1,于是输出又翻转成低电平:V0=0。继电器KA释放,曝光灯HL熄灭。暂稳态结束,有恢复到稳态。 曝光时间计算公式为:T=1.1RT*CT。本电路提供参数的延时时间约为1秒~2分钟,可由电位器RP调整和设置。 电路中的继电器必需选用吸合电流不应大于30mA的产品,并应根据负载(HL)的容量大小选择继电器触点容量。 单电源变双电源电路 附图电路中,时基电路555接成无稳态电路,3脚输出频率为20KHz、占空比为1:1的方波。3脚为高电平时,C4被充电;低电平时,C3被充电。由于VD1、VD2的存在,C3、C4在电路中只充电不放电,充电最大值为EC,将B端接地,在A、C两端就得到+/-EC的双电源。本电路输出电流超过50mA。 ![]() 简易催眠器 时基电路555构成一个极低频振荡器,输出一个个短的脉冲,使扬声器发出类似雨滴的声音(见附图)。扬声器采用2英寸、8欧姆小型动圈式。雨滴声的速度可以通过100K电位器来调节到合适的程度。如果在电源端增加一简单的定时开关,则可以在使用者进入梦乡后及时切断电源。 ![]() 直流电机调速控制电路 这是一个占空比可调的脉冲振荡器。电机M是用它的输出脉冲驱动的,脉冲占空比越大,电机电驱电流就越小,转速减慢;脉冲占空比越小,电机电驱电流就越大,转速加快。因此调节电位器RP的数值可以调整电机的速度。如电极电驱电流不大于200mA时,可用CB555直接驱动;如电流大于200mA,应增加驱动级和功放级。 ![]() 图中VD3是续流二极管。在功放管截止期间为电驱电流提供通路,既保证电驱电流的连续性,又防止电驱线圈的自感反电动势损坏功放管。电容C2和电阻R3是补偿网络,它可使负载呈电阻性。整个电路的脉冲频率选在3~5千赫之间。频率太低电机会抖动,太高时因占空比范围小使电机调速范围减小。 用555制作的D类放大器 ![]() 由IC555和R1、R2、C1等组成100KHz可控多谐振荡器,占空比为50%,控制端5脚输入音频信号,3脚便得到脉宽与输入信号幅值成正比的脉冲信号,经L、C3接调、滤波后推动扬声器。 风扇周波调速电路 夏天要来了,电风扇又得派上用场。这里介绍一个电风扇模拟阵风周波调速电路,可以为将我们家里的老式风扇增加一个实用功能,也算是一个迎接夏天到来的准备吧。下面介绍其工作原理。 ![]() 电路见图1a。电路中NE555接成占空比可调的方波发生器,调节RW可改变占空比。在NE555的3脚输出高电平期间,过零通断型光电耦合器MOC3061初级得到约10mA正向工作电流,使内部硅化镓红外线发射二极管发射红外光,将过零检测器中光敏双向开关于市电过零时导通,接通电风扇电机电源,风扇运转送风。在NE555的3脚输出低电平期间,双向开关关断,风扇停转。 MOC3061本身具有一定驱动能力,可不加功率驱动元件而直接利用MOC3061的内部双向开关来控制电风扇电机的运转。RW为占空比调节电位器,亦即电风扇单位时间内(本电路数据约为20秒)送风时间的调节,改变C2的取值或RW的取值可改变控制周期。 图1b电路为MOC3061的典型功率扩展电路,在控制功率较大的电机时,应考虑使用功率扩展电路。制作时,可参考图示参数选择器件。由于电源采用电容压降方式,请自制时注意安全,人体不能直接触摸电路板。 电热毯温控器 一般电热毯有高温、低温两档。使用时,拨在高温档,入睡后总被热醒;拨在低温档,有时醒来会觉得温度不够。这里介绍一种电热毯温控器,它可以把电热毯的温度控制在一个合适的范围。 ![]() 工作原理: 电路如图所示。图中IC为NE555时基电路。RP3为温控调节电位器,其滑动臂电位决定IC的触发电位V2和阀电位Vf,且V5=Vf=2Vz。220V交流电压经C1、R1限流降压,D1、D2整流、C2滤波,DW稳压后,获得9V左右的电压供IC用。室温下接通电源,因已调V2 BG1可选用3AX、3AG等PNP型锗管;BCR用400V以上的小型双向可控硅,其它元件按图标选用。 制作要点: 热敏传感器BG1可用耐温的细软线引出,并将其连同管脚接头装入。一电容器铝壳内,注入导热硅脂,制成温度探头。使用时,把该温度探头放在适当部位既可。 多用途延迟开关电源插座 家用电器、照明灯等电源的开或关,常常需要在不同的时间延迟后进行,本电源插座即可满足这种不同的需要。 工作原理:电路如图所示,它由降压、整流、滤波及延时控制电路等部分组成。 按下AN,12V工作电压加至延迟器上,这时NE555的②脚和⑥ 脚为高电平,则NE555的③ 脚输出为低电平,因此继电器K得电工作,触点K1-1向上吸合,这时“延关”插座得电,而“延开”插座无电。 ![]() 这时电源通过电容器C3、电位器RP、电阻器R3至“地”,对C3进行充电,随着C3上的电压升高,NE555的②、⑥脚的电压越来越往下降,当此电压下降至2/3Vcc时,NE555的③脚输出由低电平跳变为高电平,这时继电器将失电而不工作,则其控制触点恢复原位,则“延关”插座失电,而“延开”插座得电。就这样满足了不同的需求,LED、LED2作相应的指示。 本电路只要元器件是好的,装配无误,装好即可正常工作。 延时时间由C3及PR+R3的值决定,T≈1.1C3(PR+R3)。RP指有效部分。C3可用数十pF至1000μF的电容器,(PR+R3)的值可取2K~10MΩ。 C1的耐压值应≥400V,R1的功率应≥2W,AN按钮开关可选用K-18型的,继电器的型号为JQX-13F-12V。其它元器件无特殊要求。 新颖实用的直流低压稳压电源 开关电源部分的VD1-VD4、R1、C1、C2组成整流滤波电路。NE555和R2、R3、C4、VD6等元件组成多谐振荡电路,其频率约20KHz。R4、C3、VD5组成降压稳压电路,为NE555提供12V工作电源。大功率管VT1及变压器T构成开关电路。VT1的工作状态由NE555的③脚控制,导通时间由脉冲宽度决定,调整R3即可改变脉冲宽度。脉冲宽度变宽,输出电压升高;脉冲宽度变窄,输出电压降低。VT2及R8、R9、C6组成过流保护电路。当负载过重或发生短路故障时,VT2导通,强迫NE555复位停振,从而保护VT1不致损坏。C7、R10为保护网络,防止VT1的c-e结被瞬间脉冲击穿。两个次级绕组经整流滤波后分别输出20V及12V。 为了使制作简单,开关电源设计成不能自动稳压的,其功能类似于变压器,只是实现轻型化的隔离降压作用,稳压功能由后面的稳压电路实现。12V直流电压经7805稳压后输出+5V电压;20V直流电压送至可调稳压电路。两者不共地,以便于进行加减组合输出多种电压。 ![]() 1、 本站不保证以上观点正确,就算是本站原创作品,本站也不保证内容正确。 2、如果您拥有本文版权,并且不想在本站转载,请书面通知本站立即删除并且向您公开道歉! |
|
本站协议 |
版权信息 |
关于我们 |
本站地图 |
营业执照 |
发票说明 |
付款方式 |
联系方式
深圳市宝安区西乡五壹电子商行——粤ICP备16073394号-1;地址:深圳西乡河西四坊183号;邮编:518102 E-mail:51dz$163.com($改为@);Tel:(0755)27947428 工作时间:9:30-12:00和13:30-17:30和18:30-20:30,无人接听时可以再打手机13537585389 |